Warning: Trying to access array offset on false in /home/platne/serwer405843/public_html/trawersy.com.pl/core/inc/layout/layout.php on line 13

Warning: Trying to access array offset on false in /home/platne/serwer405843/public_html/trawersy.com.pl/core/inc/layout/layout.php on line 14

Warning: Trying to access array offset on false in /home/platne/serwer405843/public_html/trawersy.com.pl/core/inc/layout/layout.php on line 15
Daw-Mar II / Typ USC

Typ USC

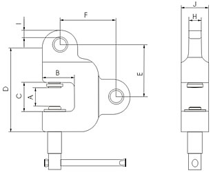
Uchwyt śrubowy USC przeznaczony jest do podnoszenia, ciągnięcia, obracania blach, elementów konstrukcji stalowych. Wyposażony jest w dwa ucha stałe. Kierunek podnoszenia równoległy lub prostopadły do zamka śrubowego.

UCHWYT ŚRUBOWY TYP USC UCHWYT ŚRUBOWY TYP USC - WYMIAR
Typ Udźwig  kg A
mm
B
mm
C
mm
D
mm
E
mm
F
mm
H
mm
I
mm
J
mm
Waga
kg
USC-0,5   0 – 28 500 28 43 45 125 72 83 16 12 35 2,6
USC-1,5   0 – 35 1500 35 60 55 158 93 99 24 16 50 5,4
USC-3,0   0 – 35 3000 35 67 65 195 114 120 34 17 60 9,0
USC-5,0   0 – 40 5000 40 85 75 230 133 150 40 18 75 16,4
USC-7,5   0 – 40 7500 40 92 75 240 143 162 50 23 80 20,8

W zamówieniu należy podać TYPyp


Zdjęcia:

Uchwyt śrubowy Typ USC-0,5 DOR - 0,5t i zakresie chwytania 0-28mm.