Warning: Trying to access array offset on false in /home/platne/serwer405843/public_html/trawersy.com.pl/core/inc/layout/layout.php on line 13

Warning: Trying to access array offset on false in /home/platne/serwer405843/public_html/trawersy.com.pl/core/inc/layout/layout.php on line 14

Warning: Trying to access array offset on false in /home/platne/serwer405843/public_html/trawersy.com.pl/core/inc/layout/layout.php on line 15
Daw-Mar II / Typ UCHŁ

Typ UCHŁ

Uchwyt UCHŁ przeznaczony jest do podnoszenia i transportu pionowego kręgów lin, drutu oraz zwojów blach. Wyposażony w ruchomą stopkę  umożliwia podniesienie kręgu z pozycji poziomej.

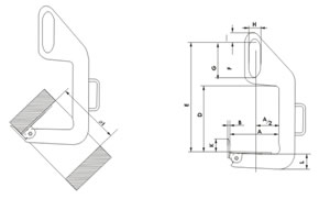
UCHWYT DO PODNOSZENIA KRĘGÓW TYP UCHŁ UCHWYT DO PODNOSZENIA KRĘGÓW TYP UCHŁ - WYMIAR
Typ DOR A min   mm A max
mm
I
mm
D
mm
E
mm
G
mm
H
mm
Waga
kg
UCHŁ 0,5/120 500 50 120 220 330 470 110 60 6,5
UCHŁ 0,5/200 100 200 300 330 470 110 60 10
UCHŁ 1/200 1000 100 200 300 460 600 110 60 15
UCHŁ 1/300 200 300 400 460 600 110 60 20
UCHŁ 2/200 2000 100 200 300 420 600 135 75 25
UCHŁ 2/300 200 300 400 420 600 135 75 30
UCHŁ 3/200 3000 100 200 300 610 820 160 90 40
UCHŁ 3/300 200 300 400 610 820 160 90 49

W zamówieniu należy podać Typ.


Zdjęcia:

Na zdjęciu uchwyty Typ UCHŁ-1/200 i UCHŁ-3/200.